Bitte geben Sie die Artikelnummer aus unserem Katalog ein.
1 Stk. Digitales Komplimentäres Volumen 12 bit Log Poti 2026 - Bausatz zum Aufbau des nachvolfenden Bauvorschlag
Digitales Komplimentäres Volumen 12 bit Log Poti 2026

12V 350 mA DC
128 Schritte aus 4096 50K Log
Automatik Save nach 5 Sec.
Tubeland 12-Bit Reference Volume Controller
Reiner Relais-Lautstärkesteller für kompromisslose Signalreinheit
Manchmal ist weniger mehr.
Für viele Musikliebhaber ist ein Klangregler überflüssig – was zählt, ist absolute Transparenz.
Genau dafür wurde dieser Volume Controller entwickelt.
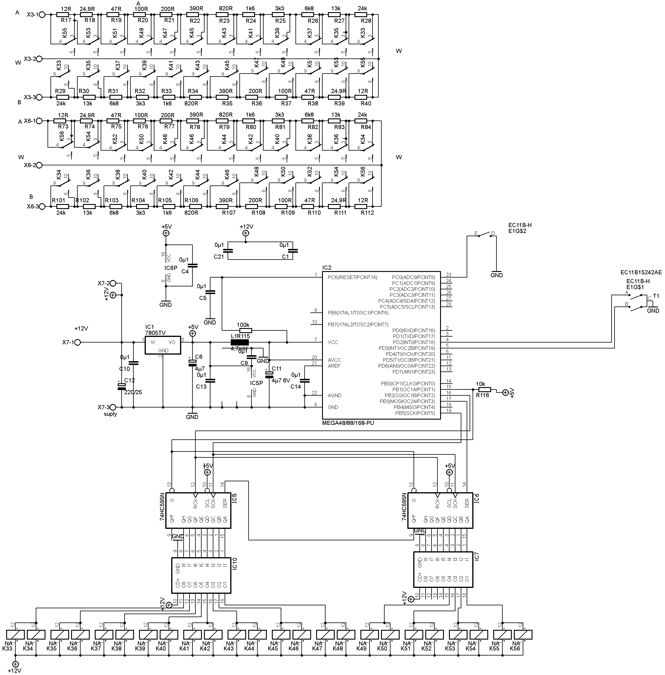
Der Tubeland Reference Volume Controller ist ein reinrassiger, digital gesteuerter Relais-Lautstärkesteller mit 12-Bit Auflösung und 128 logarithmischen Lautstärkeschritten – vollständig ohne Operationsverstärker oder digitale Audio-ICs im Signalweg.
Hier regeln ausschließlich präzise Widerstände und hochwertige Relais.
Technische Highlights
Warum Relais statt Digital-Poti?
Herkömmliche Digitalpotentiometer oder Audio-ICs arbeiten intern mit Halbleiterstrukturen im Signalweg.
Das führt zwangsläufig zu:
– erhöhtem Rauschen
– reduzierter Transparenz
– eingeschränkter Dynamik
– Spannungsbegrenzungen
Der Tubeland Volume Controller arbeitet anders:
Das Musiksignal durchläuft ausschließlich präzise Widerstände.
Die Relais schalten diese Widerstände mechanisch – vollkommen linear und verzerrungsfrei.
Das Ergebnis:
128 logarithmische Schritte – echte Feindynamik
Die Lautstärkekennlinie wurde speziell für audiophile Anwendungen berechnet.
Besonders im leisen Bereich ermöglicht die 12-Bit Auflösung eine extrem feine Justierung – ohne Sprünge oder Pegelstöße.
Sie hören nicht „lauter oder leiser“.
Sie hören eine natürliche Steigerung der Musik.
Ideal für
Für Musikliebhaber, die wissen, was sie wollen
Dieser Lautstärkesteller richtet sich nicht an Massenmarkt-Geräte.
Er ist für Menschen gedacht, die:
– keine unnötigen Klangregler wünschen
– maximale Transparenz suchen
– ihre Verstärker kompromisslos betreiben
Ein Bauteil weniger im Signalweg bedeutet oft:
Ein Schleier weniger vor der Musik.
Einfach erklärt
Unterschiede in der Praxis: 8-Bit vs 12-Bit
1) Schrittgröße / Feingefühl
2) Psychoakustik (entscheidend)
Das Gehör empfindet Lautstärke logarithmisch. Wenn du Volume linear in Ohm oder linear in Steps regelst, fühlt es sich „am Anfang zu grob, am Ende zu fein“ an.
3) Kanalgleichlauf / Stereo-Balance
Das ist einer der Hauptgründe für den Aufwand.
Kurz: Volume profitiert massiv von 12-Bit + definierter Kennlinie + präzisen Widerständen.
Warum nicht „normale“ Potis (klassisch mechanisch)?
Vorteile klassisch
Warum es besser ist
Warum nicht „Digital-Poti IC“ (Chip-Digitpot)?
Digitpot-ICs sind oft nicht für High-End Audio das Optimum, weil sie in der Realität Einschränkungen haben.
Typische Nachteile von Digitpot-ICs
Kernaussage: Ein Digitpot-IC ist „praktisch“, aber nix für maximale Audio-Transparenz + perfekte Reproduzierbarkeit → daher diskrete Widerstandsumschaltung/Relais/R-Netz.
Nachteile
In vielen modernen Audiogeräten kommen sogenannte digitale Potentiometer-Chips zum Einsatz. Diese Bausteine sind praktisch und platzsparend – sie haben jedoch klangliche Einschränkungen, die insbesondere bei hochwertigen Audioanwendungen relevant sind.
Aus diesem Grund wird in diesem Gerät ein anderer, deutlich aufwendigerer Ansatz verwendet.
Was ist der Unterschied?
Ein Digital-Poti-Chip ist kein echtes „digitales Lautstärke- oder Klangregelwerk“, sondern intern ein analoger Widerstand mit elektronischem Schleifer. Genau dieser Aufbau bringt Nachteile mit sich.
Einfluss auf den Signal-Rausch-Abstand (SNR)
Der Signal-Rausch-Abstand beschreibt, wie weit das Musiksignal über dem Eigenrauschen des Geräts liegt.
Je höher dieser Abstand ist, desto ruhiger, klarer und detailreicher wirkt die Wiedergabe – besonders bei leisen Passagen.
Warum Digital-Poti-Chips den SNR verschlechtern können:
Was bedeutet das hörbar?
In der Praxis kann sich das äußern als:
Gerade in hochwertigen Vorstufen oder Röhrengeräten fällt das stärker auf, da hier kleinste Signalanteile besonders wichtig sind.
Typischer Vergleich (praxisnah)
Regeltechnik | Typischer erreichbarer Signal-Rausch-Abstand |
Digital-Poti-Chip | ca. 85–100 dB |
Klassisches mechanisches Poti | ca. 100–105 dB |
Diskrete Widerstandsumschaltung (hier verwendet) | über 110 dB |
Warum dieser Bausatz einen anderen Weg geht
Statt eines Digital-Poti-Chips kommt hier eine controllergesteuerte, diskrete Widerstandsumschaltung zum Einsatz:
Das Ergebnis ist:
mehr Ruhe, mehr Feinzeichnung und eine natürlichere Wiedergabe – unabhängig von der gewählten Lautstärke oder Klangstellung.
Kurz gesagt
Digitale Potentiometer-Chips sind praktisch – aber sie setzen dem Klang technische Grenzen.
Für dieses Gerät wurde bewusst ein aufwendigeres, diskretes System gewählt, um:
Textbaustein für deine Bedienungsanleitung
Bedienung – Lautstärke (12-Bit)
Warum diese Technik
1. Komplementärpotis (hier verwendet)
Was bedeutet „komplementär“?
Bei einer komplementären Regelung arbeiten zwei exakt aufeinander abgestimmte Widerstandsnetzwerke gegensinnig:
Das Verhältnis bleibt dabei immer konstant und definiert.
Vorteile für den Klang:
➡ Ergebnis: ruhiger, stabiler Klang über den gesamten Regelweg.
2. Phantompotis
Was ist ein Phantompoti?
Ein Phantompoti ist kein echtes Potentiometer, sondern eine elektronische Nachbildung eines Potis, meist aus:
Der Potiwert wird „simuliert“, nicht real mechanisch verändert.
Nachteile:
➡ Für einfache Anwendungen ausreichend, für High-End-Audio kompromissbehaftet.
3. Pseudopotis
Was ist ein Pseudopoti?
Pseudopotis bilden eine Lautstärkeregelung nur „formal“ nach, z. B.:
Nachteile:
➡ Technisch elegant, klanglich nicht immer optimal.
4. Warum komplementär die beste Lösung ist
Die komplementäre Widerstandsumschaltung vereint die Vorteile:
Besonders wichtig:
Bei dieser Technik ist man nicht auf typische Potiwerte wie 10 kΩ, 20 kΩ oder 50 kΩ festgelegt.
5. Freie Wahl der Impedanz – ein großer Vorteil
Klassische Potis:
Komplementäre Netzwerke:
👉 Theoretisch kann jeder beliebige Widerstandswert realisiert werden, sofern er elektrisch sinnvoll ist.
Beispiele:
6. Kundenvorteil: Individualisierung
Das bedeutet für den Anwender:
Auf Wunsch lassen sich:
gezielt konfigurieren.
Kurz zusammengefasst
Widerstands Tabelle für 12 Bit im Falle das sie eine Anders Poti benötigen
Widerstand | 10K | 20K | 50K | 100K | 250K | 500K |
Ohm | 2,441 | 4,883 | 12,207 | 24,414 | 61,035 | 122,07 |
Ohm | 4,883 | 9,766 | 24,414 | 48,828 | 122,07 | 244,141 |
Ohm | 9,766 | 19,531 | 48,828 | 97,656 | 244,141 | 488,281 |
Ohm | 19,531 | 39,062 | 97,656 | 195,312 | 488,281 | 976,562 |
Ohm | 39,062 | 78,125 | 195,312 | 390,625 | 976,562 | 1953,125 |
Ohm | 78,125 | 156,25 | 390,625 | 781,25 | 1953,125 | 3906,25 |
Ohm | 156,25 | 312,5 | 781,25 | 1562,5 | 3906,25 | 7812,5 |
Ohm | 312,5 | 625 | 1562,5 | 3125 | 7812,5 | 15625 |
Ohm | 625 | 1250 | 3125 | 6250 | 15625 | 31250 |
Ohm | 1250 | 2500 | 6250 | 12500 | 31250 | 62500 |
Ohm | 2500 | 5000 | 12500 | 25000 | 62500 | 125000 |
Ohm | 5000 | 10000 | 25000 | 50000 | 125000 | 250000 |

Wichtiger Hinweis zur Audio-Signalführung
Für eine optimale Klangqualität ist eine saubere und störungsfreie Signalführung entscheidend.
Bei der Verdrahtung des Volume Controllers sollten die Audio-Anschlüsse grundsätzlich mit abgeschirmten Leitungen ausgeführt werden. Dies verhindert das Eindringen von Störfeldern und reduziert die Gefahr von Brumm- oder Einstreuungsproblemen erheblich.
Gerade bei Röhrenverstärkern oder hochohmigen Signalpfaden kann eine ungeschirmte Verdrahtung bereits zu hörbaren Störgeräuschen führen.
Zentrale Masseführung (Star Ground)
Ebenso wichtig ist eine konsequent umgesetzte zentrale Masseführung (Sternmasse).
Alle Masseverbindungen – insbesondere:
sollten an einem definierten zentralen Punkt zusammengeführt werden.
Eine saubere Sternmasse minimiert:
Das Tubeland Kit ist so konzipiert, dass eine zentrale Masseführung problemlos integriert werden kann und damit eine optimale Signalreinheit gewährleistet wird.
Empfehlung für höchste Klangqualität
Nur so kann das volle klangliche Potenzial des 12-Bit Relais-Lautstärkestellers ausgeschöpft werden.

Menge | Wert | Device | Bauteile |
4 | 12R | R-EU_0207/2V | R17, R40, R73, R112 |
4 | 24,9R | R-EU_0207/7 | R18, R39, R74, R111 |
4 | 47R | R-EU_0207/7 | R19, R38, R75, R110 |
4 | 100R | R-EU_0207/7 | R20, R37, R76, R109 |
4 | 200R | R-EU_0207/7 | R21, R36, R77, R108 |
4 | 390R | R-EU_0207/7 | R22, R35, R78, R107 |
4 | 820R | R-EU_0207/7 | R23, R34, R79, R106 |
4 | 1k6 | R-EU_0207/7 | R24, R33, R80, R105 |
4 | 3k3 | R-EU_0207/7 | R25, R32, R81, R104 |
4 | 6k8 | R-EU_0207/7 | R26, R31, R82, R103 |
1 | 10k | R-EU_0207/10 | R116 |
4 | 13k | R-EU_0207/7 | R27, R30, R83, R102 |
4 | 24k | R-EU_0207/2V | R28,R29, R84, R101 |
1 | 100k | R-EU_0207/10 | R115 |
8 | 0µ1 | C-EU050-025X075 | C1, C4, C5, C9, C10, C13, C14, C21 |
1 | 4µ7 | CPOL-EUE2.5-6 | C6, C11 |
1 | 220/25 | CPOL-EUE5-10.5 | C12 |
2 | 74HC595N | 74HC595N | IC5, IC6 |
1 | 7805TV | 7805TV | IC1 |
1 | MEGA328 | MEGA328 | IC2 |
2 | ULN2803A | IC7, IC10 | |
1 | EC11B15242AE | EC11B-H | E1 |
24 | HFD3/12 | NA | K33, K34, K35, K36, K37, K38, K39, K40, K41, K42, K43, K44, K45, K46, K47, K48, K49, K50, K51, K52, K53, K54, K55, K56 |
3 | AKL 103 | W237-103 | X3, X6, X7 |
1 | 4,7mH | BS11 | L1 |
1 | Leiterplatte | Y213 | 146 mm* 79.8 mm |
Diesen Artikel haben wir am 27.02.2026 in unseren Katalog aufgenommen.